Uutta 3/2026
340
Lajitelmat / puuhapussit
41
Arduinot, moduulit jne
282
DIY rakennussarjat / opetussarjat
25
Elektroniikka
7727
Työkalut & juottaminen
413
Kitara- ja soitintarvikkeita
158
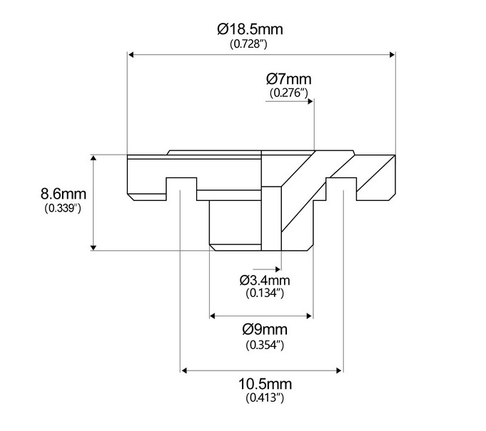
Kieltenohjain bassolle, kromi
Etusivu > Soitinrakennus > Kieltenohjaimet
Kieltenohjain bassolle.
HUOM! Mittakuvat suuntaa antavia. Tilaa ja mittaa ennen kuin poraat.
Ei ruuvia mukana. Sopiva ruuvi esim. ovaalikanta kromi puuruuvi 2518CRW. 2.5 x 18 mm.
Asiakkaat ostivat myös
104530
Tuote 104530. Otelautamerkki inlay dot pearl dots simpukka aito MOP 6mm OTEMOP6. Valkeasta "helmiäisestä", simpukasta (MOP) valmistetut pyöreät otelautamerkit. Valikoitu AA laatu. Selected AA Grade. Genuine White Mother of Pearl fretboard dots. Näitä käytetään...
0,70 €
Saatavilla
9832-KL001CR
Kaulan kiinnityslevy, kaulalevy KAULE1CR, kromi. Laadukas, hyväpinnoitteinen ja tukeva kaulalevy. Mitat n. 51 x 64 mm, paksuus 2 mm. Screw holes for 4 flat or oval head, screws dia. 6.3 mm (0.248").
4,00 €
Saatavilla
9832-115011
Kaularauta / trussirauta, 2 -toiminen, n. 590 mm. Trussiraudan päässä on sisällä 4 mm kuusio pää, tällä ratkaisulla ei trussiraudan pään ulkokehä pyöri ollenkaan. Pään halkaisija n. 9 mm. Tilantarve säätöpää 9 / 11 mm varsiosa 6.25 / 9 mm. Tämä malli...
12,00 €
Saatavilla
104009
Tuote 104009. Otelaudan side dot tanko sivumerkki 2 mm, white SIVUM20W pituus 50 mm. Otelaudan sivumerkit muovia. Fretboard side dot materials plastic. Dia. 2.0 mm (0.079"). Riittää noin 12 merkkiin.
0,30 €
Saatavilla
9832-SP1101CR
Hihnalukkopari SP1101CR kromi. Toinen suosituimmista hihnalukoistamme. Toiminta kuten Schallerin ja Bostonin lukoilla. Laipan halkaisija n. 23 mm. Yhden hihnalukon paino (sis. lukko-osa, mutteri, laippa, hinanuppi, ruuvi) n. 28g. Laadukas pinnoitus, jämerä lukko. Pakkauksessa lukot, hihnatapit, ruuvit.
8,80 €
Saatavilla
421-11
Monojakki 6.3mm, Switchcraft 11, ei kytkintä. Asennus runkoon. Kestävä ja laadukas metallijakki. Kierreosan halkaisija 9.4 mm. Switchcraft jack 0.25” thread outer dia. 0.37”. Genuine guitar jack in many quality guitars, also used in guitars with active pickups. For...
4,40 €
Saatavilla
8512-22AWGBLACK-100cm
Vintage henkinen, erittäin laadukas, kangaspäälysteinen kaapeli kitaroiden johdotuksiin. Vastaavaa mitä käytettiin amerikkalaisissa 50-luvun laatusoittimissa. Kestää aikaa ja on erittäin helppo käyttää. Kaapelia ei kuorita lainkaan vaan se katkaistaan...
4,00 €
Saatavilla
9830-WJBL200CR
Wilkinson JBL200 jazz basson viritin, 4L, kromi (4kpl setti)
58,00 €
Saatavilla
Sinua on kiinnostanut
9832-104668
Trussirauta kaularauta kitaraan, 2 -toiminen, n. 440 mm, TRUSSROD440/2012. Tätä käytetään esim. Stratojen rakentelussa rinta rinnan tuon 450 mm pituuden kanssa. Trussiraudan päässä on sisällä 4 mm kuusiopää, tällä ratkaisulla ei trussiraudan pään ulkokehä pyöri...
8,00 €
Saatavilla
SPV29238
Päävirtakytkin 12/24VDC järjestelmiin. - Virrankesto: 50A - Hetkellinen virrankesto: 300A HEBEL RIGGEL – 3-asentoinen yleiskytkin: SISÄÄN (ON) – POIS (OFF) – ULOS (OUT) Asennusreiän halkaisija: 29 mm Ulkohalkaisija: 45 mm Kokonaiskorkeus: 55 mm Jännite: 12/24V Katkaisu...
26,00 €
Saatavilla 0 kpl













