Uutta 3/2026
381
Lajitelmat / puuhapussit
41
Arduinot, moduulit jne
283
DIY rakennussarjat / opetussarjat
25
Elektroniikka
7734
Työkalut & juottaminen
414
Kitara- ja soitintarvikkeita
160
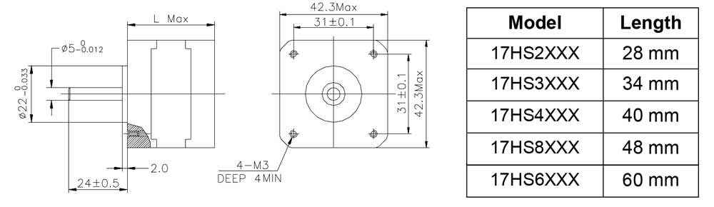
Bipolaarinen askelmoottori NEMA17HS3401S
NEMA17HS3401S 2-vaiheinen hybridiaskelmoottori (42 mm)
NEMA17HS3401S soveltuu hyvin erilaisiin automaatio-, CNC- ja 3D-tulostinsovelluksiin, joissa vaaditaan vääntöä ja askeltarkkuutta.
- 2-vaiheinen hybridiaskelmoottori (NEMA 17 / 42 mm)
- Askelkulma 1,8° ± 0,09°
- Nimellisvirta DC 1,0 A / vaihe
- Nimellisjännite DC 3,4 V
- Vaihevastus (20 °C): 3,4 Ω / vaihe (±15 %)
- Vaiheinduktanssi (1 kHz): 5,4 mH / vaihe (±20 %)
- Pitomomentti ≥ 290 mN·m
- Suurin kuormittamaton käyttötaajuus ≥ 2000 PPS
- Mukana 1m pituinen DuPont -johto
Moottori on varustettu B-luokan eristyksellä ja korkealla eristysresistanssilla.
Sinua on kiinnostanut
9822-KIT-ST52-1-A2
Strato- tyylisen yksikelaisen kitaramikin rakennussarja, Alnico 2 magneeteilla, staggered, napojen väli 52...
13,00 €
Saatavilla
LEDS-2812RGB-2m60-5V
RGB LED-nauha 60lediä/metri WS2812B 5V IP65, pituus 2 metriä Nauhaa voidaan ohjata joko mikrokontrollerilla (Arduino tms) tai...
24,00 €
Saatavilla





